公司简介
企业文化
合作伙伴
生产流程
电主轴
气主轴
去毛刺浮动主轴
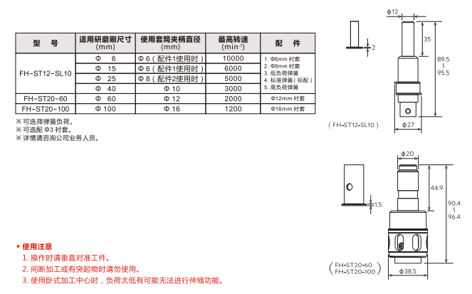
打磨机/研磨机
水平仪/直角规
偏心仪/同心度仪
硬度计
推拉力计
切割刀
PPS手指触感测量系统
角度仪
磁性工具
扭力工具
针规
卡规
XEBEC研磨刷
抛光及研磨耗材
检测工具
锉刀
东日量具
德国戴博
公司新闻
行业动态
产品活动
走心机高频铣
CNC加工中心增速器
分板机主轴
排刀机主轴
E2000
E3000
E4000
CNC增速器HES
走心机高频铣ISPEED3
Air-Speed
XPEED
HTS
PL600
IBG浮动
FT浮动
电动打磨机
气动打磨机
研磨机
条式水平仪
框式水平仪
磁性水平仪
圆柱规/直角尺
偏摆仪/偏心检查仪
同心度检测仪
TECLOCK(得乐)
ASKER
IMADA(依梦达)
Digitech(迪吉泰特)
HONDA切割刀
NAKANISHI切割刀
ALEX切割刀
美国SPI角度仪
高斯计
脱磁器
磁性座/V型座
磁性支架
扭力起子/扭力螺丝刀
棘轮扳手
数显扳手
扭力计
卡尺
扭力校正仪
美国MEYER
日本SK
指针式外卡规
指针式内卡规
数显外卡规
数显内卡规
表面刷
内交叉孔刷
轮型刷
背孔刀
研磨油石
橡胶磨头
研磨膏
百分表
千分表
深度计
厚度表/测厚仪
比测探针
内径测量
缸径规
杠杆表
TSUBOSAN(壶三牌)
台湾锉刀
扳手
扭力起子
热线电话
18927503295
上班时间
周一到周五
公司电话